Categories

Browse Categories

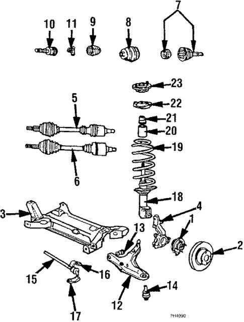
Suspension Components for 1988 Dodge 600

Suspension Components for 1988 Dodge 600 #0 Suspension Components for 1988 Dodge 600 #1
Suspension Components for 1988 Dodge 600 #0
No.
Part # / Description / Price
Price
3
Suspension Cross-Member
Mopar Mopar
Description: All, with manual trans. With turbo, manual trans.
3
Cross-Member
Mopar Mopar
Description: Suspension. Manual trans, without turbo. All, with auto trans. With turbo, auto trans.
3
Bushing
Mopar Mopar
Positions: Right
Description: Front. Rear, inner. Rear, outer. Arm strut.
4
Steering Knuckle
Mopar Mopar
Positions: Right
Description: All models. Right. Without 16 wheel.
4
Steering Knuckle
Mopar Mopar
Positions: Left
Description: All models. Left. Without 16 wheel.
5
Shaft
Mopar Mopar
Positions: Right
Description: All models. 4-2.2. Right. 2.2 litre, without turbo g.k.n. 1987-91 2.2L, without turbo, gkn. 2.2L, without turbo, from 5/20/83.
6
Drive Shaft
Mopar Mopar
Positions: Left
Description: All models. Left. 4-2.2. 2.2 litre, without turbo g.k.n. 1987-91 2.2L, without turbo, gkn. 2.2L, without turbo, from 5/20/83.
7
Outer Cv Joint
Mopar Mopar
Description: Inner. All. Outer. 2.2, citroen. Gkn. 1987-91 2.2L. 1987-91 2.5L.
8
Cv Joint Boot Kit
Mopar Mopar
Positions: Right
Description: All. Gkn, without turbo. Citroen type. Right. 2.2L. 2.2L, without turbo. 2.5L, without turbo. Inner, citroen. Citroen, without turbo. Vendor:citroen.
9
Boot Kit
Mopar Mopar
Positions: Left
Description: All. Left side. Gkn, with turbo. Left. 2.2L. 2.2L, with turbo. 2.5L, with turbo. Inner, citroen. Citroen, without turbo. Vendor:citroen.
10
Inner Housing
Mopar Mopar
Positions: Left
Description: All models. 2.2 litre, without turbo g.k.n. 2.2, gkn & a.c.i. 1.6L. 1987-91 2.2L, without turbo, gkn. 2.2L, with shaft, without turbo. Left. Manual trans. Scamp, Rampage.
10
Inner Housing
Mopar Mopar
Positions: Right
Description: Citrogen. Right side. All models. 4-2.6. 2.2 litre, without turbo citreon. 1987-91 2.2L, without turbo, citroen. 2.5 litre, citreon. 1987-91 2.5L, without turbo, citroen. Vendor:citroen.
10
Inner Housing
Mopar Mopar
Description: Citrogen. Left side. All models. 4-2.6. Right or left. 2.2 litre, with turbo citreon. 1987-91 2.2L, with turbo, citroen. 2.5 litre, citreon. 1987-91 2.5L, without turbo, citroen. Vendor:citroen.
10
Inner Housing
Mopar Mopar
Positions: Right
Description: All models. 4-2.2, 2.5. Aci. Right. A.c.i., inner. 2.2 litre, without turbo a.c.i. 1987-91 2.2L, without turbo, a.c.i.
10
Inner Housing
Mopar Mopar
Positions: Left
Description: All models. 4-2.2, 2.5. Aci. Left. A.c.i., inner. 2.2 litre, without turbo a.c.i. 1987-91 2.2L, without turbo, a.c.i.
10
Inner Housing
Mopar Mopar
Positions: Right
Description: All models. 2.2 litre, without turbo g.k.n. 2.2, gkn & a.c.i. 1.6L. 1987-91 2.2L, without turbo, gkn. 2.2L, with shaft, without turbo. Right. Manual trans. Scamp, Rampage.
11
Inner Cv Joint
Mopar Mopar
Description: Outer. Citroen. All. Inner. 2.2L. 2.5L. Gkn.
12
Control Arm
Mopar Mopar
Positions: Right
Description: All models. Right. Lower, with standard. Standard suspension. Standard & hd. Scamp, Rampage.
12
Control Arm
Mopar Mopar
Positions: Left
Description: All models. Left. Lower, with standard. Standard suspension. Standard & hd. Scamp, Rampage.
12
Control Arm
Mopar Mopar
Positions: Right
Description: All models. Right. Heavy duty. Firm feel. Lower, with firm suspension. Sport. Extra hd.
12
Control Arm
Mopar Mopar
Positions: Left
Description: All models. Left. Heavy duty. Firm feel. Lower, with firm suspension. Sport. Extra hd.
13
Lower Control Arm Front Bushing
Mopar Mopar
Positions: Left
Description: All. Front. Scamp, Rampage.
14
Lower Ball Joint
Mopar Mopar
Positions: Right
Description: All. Extra hd. Scamp, Rampage.
15
Stabilizer Bar
Mopar Mopar
Description: Without special sport susp. All models. Without sport suspension. Standard suspension. Shadow, sundance.
16
Stabilizer Bar Clamp
Mopar Mopar
Description: Outer. Lower. Without sport suspension. Standard.
17
Stabilizer Bar Clamp
Mopar Mopar
Description: Inner. Retainer on bar. Upper. Outer.
19
Spring
Mopar Mopar
Positions: Right
Notes: PARTS: Order by part number and description.
22
Spring Seat
Mopar Mopar
Description: To 1/2/86.
23
Strut Assembly Mount Kit
Mopar Mopar
Description: To 01/02/1986.
Suspension Components for 1988 Dodge 600 #1
No.
Part # / Description / Price
Price
1
Bearing
Mopar Mopar
Positions: Right
Description: All. 14 wheels. 1989-90. Front. Scamp, Rampage. Shelby.
3
Steering Knuckle
Mopar Mopar
Description: All models. Right. Without 16 wheel.
3
Steering Knuckle
Mopar Mopar
Description: All models. Left. Without 16 wheel.
4
Control Arm
Mopar Mopar
Description: All models. Left. Heavy duty. Firm feel. Lower, with firm suspension. Sport. Extra hd.
4
Control Arm
Mopar Mopar
Description: All models. Right. Heavy duty. Firm feel. Lower, with firm suspension. Sport. Extra hd.
4
Control Arm
Mopar Mopar
Description: All models. Left. Lower, with standard. Standard suspension. Standard & hd. Scamp, Rampage.
4
Control Arm
Mopar Mopar
Description: All models. Right. Lower, with standard. Standard suspension. Standard & hd. Scamp, Rampage.
5
Lower Control Arm Front Bushing
Mopar Mopar
Description: All. Front. Scamp, Rampage.
6
Lower Ball Joint
Mopar Mopar
Description: All. Extra hd. Scamp, Rampage.
8
Bushing
Mopar Mopar
Description: Front. Rear, inner. Rear, outer. Arm strut.
9
Coil Spring
Mopar Mopar
Notes: Parts & Prices Are For Estimating Purposes Only.
Description: Automatic trans. Right. Manual trans. Left. All models. 4-2.6.
9
Coil Spring
Mopar Mopar
Notes: Parts & Prices Are For Estimating Purposes Only.
Description: Automatic trans. Left. All models. 4-2.6.
9
Coil Spring
Mopar Mopar
Notes: Parts & Prices Are For Estimating Purposes Only.
Description: All models. 4-2.2. Manual trans. Right. With ac.
10
Stabilizer Bar
Mopar Mopar
Description: All models. Without Daytona & LeBaron. 2 door.
11
Stabilizer Bar Inner Bushing
Mopar Mopar
Description: All models. With hd. Inner. Without sport suspension. Scamp, Rampage. Heavy duty susp.
11
Stabilizer Bar Outer Bushing
Mopar Mopar
Description: Heavy duty susp. Without Daytona & LeBaron. 2 door. All models. Outer. Shadow, sundance. Standard.
Part # / Description / Price
Price
Retainer
Mopar Mopar
Description: All models.
Upper Mount
Mopar Mopar
Positions: Front
Description: Exc.Bearing. All models. With bearing.
Strut Mount
Mopar Mopar
Positions: Front
Description: All models. With strut bearing. From 01/02/1986. Incl.Bearing.